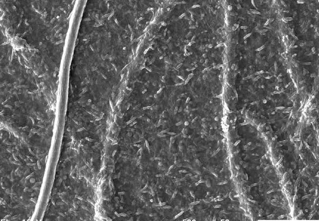
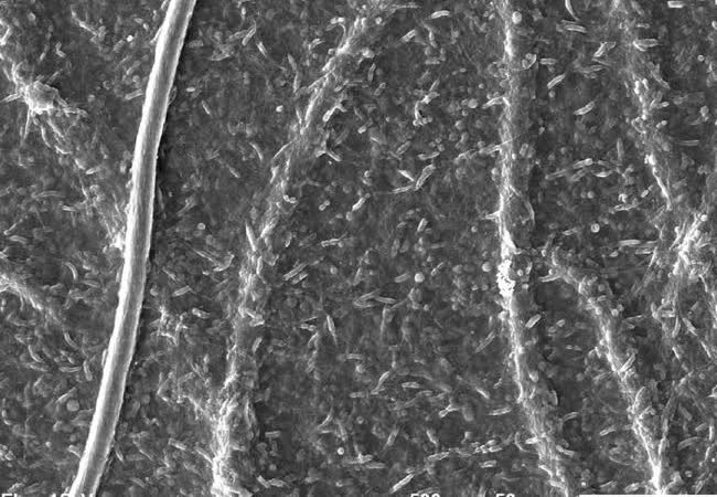
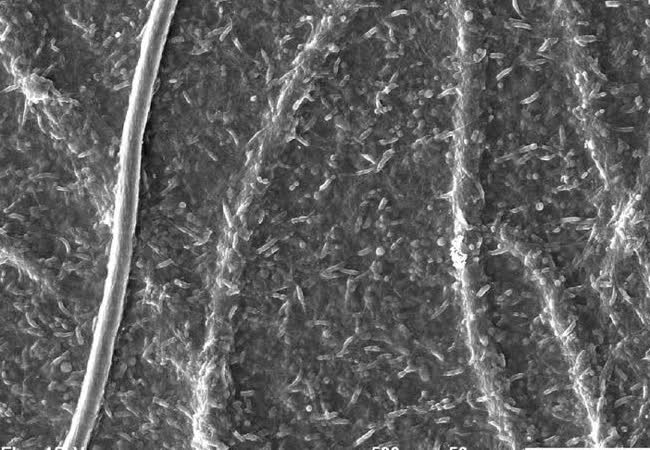
ไบโอฟิล์มจากสิ่งมีชีวิตขนาดเล็กและอิทธิพลต่อการยึดเกาะของตะกอนดินจากหาดเลน เจ้าของผลงาน : ชิดชญา จินดานนท์ รศ.ดร.อัจฉราภรณ์ เปี่ยมสมบูรณ์ ผศ.ดร.สุริยัณห์ สาระมูล คำสำคัญ : diatom, biofilm, sediment stability, mudflat วันที่เผยแพร่ : 6 สิงหาคม 2564